UCP305 UCP306 UCP307 UCP308 UCP309 UCP310 UCP311 UCP312 UCP313 UCP314 UCP315
Vertical Pillow Block Bearings




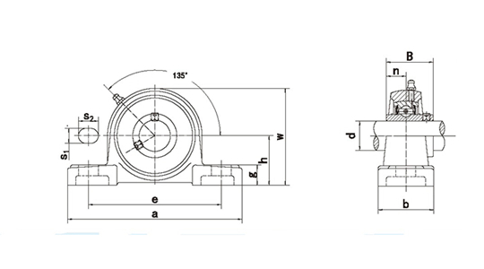
| Model | Model | Bolt | d | a | i | e | W.T |
| UCP305 | UC305 | M14 | 25 | 175 | 45 | 132 | 1.32 |
| UCP306 | UC306 | M14 | 30 | 180 | 50 | 140 | 1.82 |
| UCP307 | UC307 | M14 | 35 | 210 | 56 | 160 | 2.5 |
| UCP308 | UC308 | M14 | 40 | 220 | 60 | 170 | 3.2 |
| UCP309 | UC309 | M16 | 45 | 245 | 67 | 190 | 4.3 |
| UCP310 | UC310 | M16 | 50 | 275 | 75 | 212 | 5.8 |
| UCP311 | UC311 | M16 | 55 | 310 | 80 | 236 | 7.4 |
| UCP312 | UC312 | M20 | 60 | 330 | 85 | 250 | 9 |
| UCP313 | UC313 | M20 | 65 | 340 | 90 | 260 | 10.2 |
| UCP314 | UC314 | M22 | 70 | 360 | 90 | 280 | 12.4 |
| UCP315 | UC315 | M22 | 75 | 380 | 100 | 290 | 14.6 |