Swing Check Valve
H44H-25 H44Y-25 H44Y-25P H44Y-25R H44Y-25I


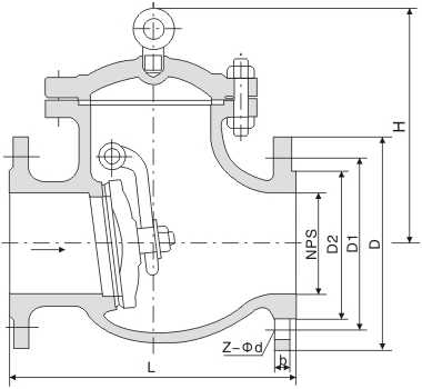
旋启式止回阀 Swing Check Valve


| 产品型号 Type | 公称通径DN | PN1.6/2.5MPa | WT (Kg) | |||||||||
| L | D | D1 | D2 | b | Z-Φd | H | ||||||
| H44H-16C H44Y-16C H44Y-16P H44Y-16R H44Y-16I |
50 | 230 | 160 | 125 | 100 | 16 | 4-Φ18 | 135 | 21 | |||
| 65 | 290 | 180 | 145 | 120 | 18 | 4-Φ18 | 142 | 28 | ||||
| 80 | 310 | 195 | 160 | 135 | 20 | 8-Φ18 | 165 | 38 | ||||
| 100 | 350 | 215 | 180 | 155 | 20 | 8-Φ18 | 180 | 58 | ||||
| 125 | 400 | 245 | 210 | 185 | 22 | 8-Φ18 | 210 | 92 | ||||
| 150 | 480 | 280 | 240 | 210 | 24 | 8-Φ23 | 233 | 130 | ||||
| 200 | 500 | 335 | 295 | 265 | 26 | 12-Φ23 | 304 | 210 | ||||
| 250 | 550 | 405 | 355 | 320 | 30 | 16-Φ25 | 348 | 294 | ||||
| 300 | 650 | 460 | 410 | 375 | 30 | 16-Φ25 | 390 | 367 | ||||
| 350 | 750 | 520 | 470 | 435 | 34 | 16-Φ25 | 430 | 410 | ||||
| 400 | 850 | 580 | 525 | 485 | 36 | 16-Φ30 | 468 | 461 | ||||
| 450 | 950 | 640 | 585 | 545 | 40 | 20-Φ30 | 523 | 570 | ||||
| 500 | 1025 | 705 | 650 | 608 | 44 | 20-Φ34 | 525 | 850 | ||||
| H44H-25 H44Y-25 H44Y-25P H44Y-25R H44Y-25I |
50 | 230 | 160 | 125 | 100 | 20 | 4-Φ18 | 160 | 22 | |||
| 65 | 290 | 180 | 145 | 120 | 22 | 8-Φ18 | 175 | 29 | ||||
| 80 | 310 | 195 | 160 | 135 | 22 | 8-Φ18 | 185 | 38 | ||||
| 100 | 350 | 230 | 190 | 160 | 24 | 8-Φ23 | 220 | 61 | ||||
| 125 | 400 | 270 | 220 | 188 | 28 | 8-Φ25 | 248 | 96 | ||||
| 150 | 480 | 300 | 250 | 218 | 30 | 8-Φ25 | 276 | 132 | ||||
| 200 | 550 | 360 | 310 | 278 | 34 | 12-Φ25 | 350 | 213 | ||||
| 250 | 650 | 425 | 370 | 332 | 36 | 12-Φ30 | 410 | 297 | ||||
| 300 | 750 | 485 | 430 | 390 | 40 | 16-Φ30 | 430 | 372 | ||||
| 350 | 850 | 550 | 490 | 448 | 44 | 16-Φ34 | 518 | 415 | ||||
| 400 | 950 | 610 | 550 | 505 | 48 | 16-Φ34 | 560 | 480 | ||||
| 450 | 1025 | 660 | 600 | 555 | 50 | 20-Φ34 | 582 | 610 | ||||
| 500 | 1150 | 730 | 660 | 610 | 52 | 20-Φ41 | 618 | 920 | ||||
| 产品型号 Type | 公称通径DN | PN4.0MPa | WT (Kg) | |||||||||
| L | D | D1 | D2 | D6 | b | f | f2 | Z-Φd | H | |||
| H44H-40 HH44Y-40 HH44Y-40P HH44Y-40R HH44Y-40I |
50 | 230 | 160 | 125 | 100 | 88 | 20 | 3 | 4 | 4-Φ18 | 169 | 22 |
| 65 | 290 | 180 | 145 | 120 | 110 | 22 | 3 | 4 | 8-Φ18 | 173 | 29 | |
| 80 | 310 | 195 | 160 | 135 | 121 | 22 | 3 | 4 | 8-Φ18 | 185 | 38 | |
| 100 | 350 | 230 | 190 | 160 | 150 | 24 | 3 | 4.5 | 8-Φ23 | 220 | 61 | |
| 125 | 400 | 270 | 220 | 188 | 176 | 28 | 3 | 4.5 | 8-Φ25 | 248 | 96 | |
| 150 | 480 | 300 | 250 | 218 | 204 | 30 | 3 | 4.5 | 8-Φ25 | 270 | 132 | |
| 200 | 550 | 375 | 320 | 282 | 260 | 38 | 3 | 4.5 | 12-Φ30 | 342 | 213 | |
| 250 | 650 | 445 | 385 | 345 | 313 | 42 | 3 | 4.5 | 12-Φ34 | 401 | 297 | |
| 300 | 750 | 510 | 450 | 408 | 364 | 46 | 4 | 4.5 | 16-Φ34 | 423 | 372 | |
| 350 | 850 | 570 | 510 | 465 | 422 | 52 | 4 | 5 | 16-Φ34 | 455 | 415 | |
| 400 | 950 | 655 | 585 | 535 | 474 | 58 | 4 | 5 | 16-Φ41 | 510 | 450 | |
| 产品型号 Type |
公称通径DN | PN6.4MPa | WT (Kg) | |||||||||
| L | D | D1 | D2 | D6 | b | f | f2 | Z-Φd | H | |||
| H44H-64 HH44Y-64 HH44Y-64P HH44Y-64R HH44Y-64I |
50 | 300 | 175 | 135 | 105 | 88 | 26 | 3 | 4 | 4-Φ23 | 177 | 27 |
| 65 | 340 | 200 | 160 | 130 | 110 | 28 | 3 | 4 | 8-Φ23 | 197 | 37 | |
| 80 | 380 | 210 | 170 | 140 | 121 | 30 | 3 | 4 | 8-Φ23 | 212 | 57 | |
| 100 | 430 | 250 | 200 | 168 | 150 | 32 | 3 | 4.5 | 8-Φ25 | 248 | 89 | |
| 125 | 500 | 295 | 240 | 202 | 176 | 36 | 3 | 4.5 | 8-Φ30 | 296 | 135 | |
| 150 | 550 | 340 | 280 | 240 | 204 | 38 | 3 | 4.5 | 8-Φ34 | 330 | 184 | |
| 200 | 650 | 405 | 345 | 300 | 260 | 44 | 3 | 4.5 | 12-Φ34 | 385 | 266 | |
| 250 | 775 | 470 | 400 | 352 | 313 | 48 | 3 | 4.5 | 12-Φ41 | 445 | 398 | |
| 300 | 900 | 530 | 460 | 412 | 364 | 54 | 4 | 4.5 | 16-Φ41 | 474 | 643 | |
| 350 | 1025 | 595 | 525 | 475 | 422 | 60 | 4 | 5 | 16-Φ41 | 514 | 815 | |
| 400 | 1150 | 670 | 585 | 525 | 474 | 66 | 4 | 5 | 16-Φ48 | 616 | 1234 | |