Balance differential pressure bypass valve、Emergency shut down valve
DN20-DN600


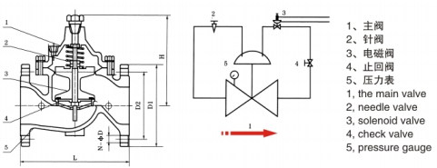
压差旁通平衡阀 Balance differential pressure bypass valve


| 公称通径DN(mm) | D1 | D2 | N-Φd | L | H | |||
| 1.0MPa | 1.6MPa | 1.0MPa | 1.6MPa | 1.0MPa | 1.6MPa | |||
| DN50 | 165 | 125 | 4-Φ19 | 203 | 160 | |||
| DN65 | 185 | 145 | 4-Φ19 | 216 | 180 | |||
| DN80 | 200 | 160 | 8-Φ19 | 241 | 200 | |||
| DN100 | 220 | 180 | 8-Φ19 | 292 | 270 | |||
| DN125 | 250 | 210 | 8-Φ19 | 330 | 310 | |||
| DN150 | 285 | 240 | 8-Φ23 | 356 | 320 | |||
| DN200 | 340 | 295 | 495 | 370 | ||||
| DN250 | 405 | 350 | 355 | 8-Φ23 | 12-Φ23 | 622 | 430 | |
| DN300 | 460 | 400 | 410 | 12-Φ23 | 12-Φ28 | 698 | 480 | |
| DN350 | 520 | 460 | 470 | 12-Φ23 | 16-Φ28 | 787 | 525 | |
| DN400 | 580 | 540 | 525 | 16-Φ28 | 16-Φ31 | 914 | 580 | |
| DN450 | 640 | 565 | 585 | 20-Φ25 | 20-Φ31 | 978 | 635 | |
| DN500 | 715 | 620 | 650 | 20-Φ28 | 20-Φ34 | 978 | 690 | |
| DN600 | 810 | 840 | 725 | 770 | 20-Φ31 | 20-Φ37 | 1295 | 830 |
紧急关闭阀 Emergency shut down valve


| 公称通径DN(mm) | 尺寸 Size(mm) | ||||
| L | F1 | F | H1 | H | |
| 20 | 150 | 136 | 229 | 247 | 342 |
| 25 | 160 | 136 | 229 | 247 | 342 |
| 32 | 180 | 136 | 229 | 247 | 342 |
| 40 | 200 | 155 | 330 | 278 | 395 |
| 50 | 203 | 155 | 330 | 278 | 395 |
| 65 | 216 | 165 | 350 | 298 | 405 |
| 80 | 241 | 175 | 365 | 313 | 430 |
| 100 | 292 | 195 | 410 | 350 | 510 |
| 125 | 330 | 220 | 455 | 365 | 560 |
| 150 | 356 | 230 | 475 | 420 | 585 |
| 200 | 495 | 255 | 530 | 450 | 675 |
| 250 | 622 | 300 | 623 | 470 | 730 |
| 300 | 698 | 340 | 700 | 490 | 760 |
| 350 | 787 | 415 | 840 | 526 | 840 |
| 400 | 914 | 430 | 880 | 570 | 910 |
| 450 | 978 | 430 | 880 | 570 | 910 |
| 500 | 978 | 410 | 780 | 750 | 1110 |
| 600 | 1230 | 456 | 888 | 850 | 1286 |