Hydraulic electric control valve、Water pump control valve
DN20-DN600


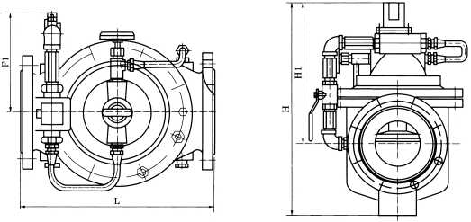
水力电动控制阀 Hydraulic electric control valve


| 公称通径DN(mm) | 尺寸 Size(mm) | |||
| L | F1 | H1 | H | |
| 20 | 150 | 136 | 269 | 342 |
| 25 | 160 | 136 | 269 | 342 |
| 32 | 180 | 136 | 269 | 342 |
| 40 | 200 | 155 | 300 | 395 |
| 50 | 203 | 155 | 300 | 395 |
| 65 | 216 | 165 | 288 | 385 |
| 80 | 241 | 175 | 310 | 420 |
| 100 | 292 | 195 | 340 | 500 |
| 125 | 330 | 220 | 380 | 540 |
| 150 | 356 | 230 | 410 | 575 |
| 200 | 495 | 255 | 440 | 665 |
| 250 | 622 | 300 | 460 | 720 |
| 300 | 698 | 340 | 480 | 750 |
| 350 | 787 | 415 | 516 | 830 |
| 400 | 914 | 450 | 560 | 900 |
| 450 | 978 | 450 | 560 | 900 |
| 500 | 978 | 410 | 750 | 1110 |
| 600 | 1230 | 456 | 850 | 1286 |
水泵控制阀 Water pump control valve
