+86 13918253057
English
中文
English
Home
About Us
Products
News
Factory
Contact
Home
About Us
Products
News
Factory
Contact
+86 13918253057
Valve
Bearing
Chains
Valve
Belts
Pulleys
WAM
Sprocket
Transmission Parts
Valve
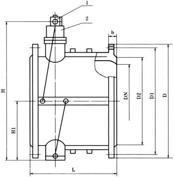
Micro Resistance Slowly-closing Butterfly Check Valve
HH46X、HDH48X、HH49X
PRODUCT DETAILS
微阻缓闭蝶式止回阀 Micro Resistance Slowly-closing Butterfly Check Valve
Last:
Hydraulic、Pneumatic Angle Quick Opening Mud Valve,Diaphragm Hydraulic、Pneumatic Quick Opening Mud Valve
Next:
Micro Resistance Slowly-closing Silencing Check Valve
Stay Informed
Submit