UCT211 UCT212 UCT213 UCT214 UCT215 UCT216 UCT217 UCT218
Slide block bearing




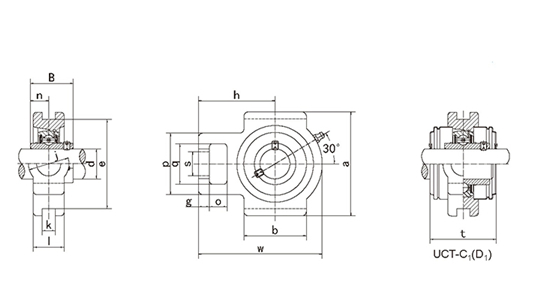
| Model | Size ( mm ) | Bearing | Bearing housing | W.T(kg) | ||||||||||||||||
| d | o | g | p | q | s | b | k | e | a | w | j | l | h | t | B | n | ||||
| UCT211 | 55 | 25 | 19 | 102 | 64 | 35 | 95 | 22 | 130 | 146 | 171 | 64 | 38 | 106 | 76 | 55.6 | 22.2 | UC211 | T211 | 3.74 |
| UCT212 | 60 | 32 | 19 | 102 | 64 | 35 | 102 | 22 | 130 | 146 | 194 | 64 | 42 | 119 | 89 | 65.1 | 25.4 | UC212 | T212 | 4.58 |
| UCT213 | 65 | 32 | 21 | 111 | 70 | 41 | 121 | 26 | 151 | 167 | 224 | 70 | 44 | 137 | 89 | 65.1 | 25.4 | UC213 | T213 | 6.6 |
| UCT214 | 70 | 32 | 21 | 111 | 70 | 41 | 121 | 26 | 151 | 167 | 224 | 70 | 46 | 137 | 98 | 74.6 | 30.2 | UC214 | T214 | 6.74 |
| UCT215 | 75 | 32 | 21 | 111 | 70 | 41 | 121 | 26 | 151 | 167 | 232 | 70 | 48 | 140 | 99 | 77.8 | 33.3 | UC215 | T215 | 7.19 |
| UCT216 | 80 | 32 | 21 | 111 | 70 | 41 | 121 | 26 | 165 | 184 | 235 | 70 | 51 | 140 | 109 | 82.6 | 33.3 | UC216 | T216 | 8.08 |
| UCT217 | 85 | 38 | 29 | 124 | 73 | 48 | 157 | 30 | 173 | 198 | 260 | 73 | 54 | 162 | 113.2 | 85.7 | 34.1 | UC217 | T217 | 10.66 |
| UCT218 | 90 | 40 | 30 | 130 | 80 | 48 | 140 | 30 | 190 | 215 | 275 | 80 | 55 | 170 | 123 | 96 | 39.7 | UC218 | T218 | 12.19 |