UCFC201 UCFC202 UCFC203 UCFC204 UCFC205 UCFC206 UCFC207 UCFC208 UCFC209 UCFC210
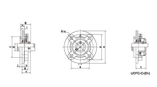
Boss round housed bearing




| Model | Size ( mm ) | Bolt mm | Bearing | Bearing housing | W.T(kg) | |||||||||||||
| d | a | p | (e) | i | s | j | k | g | f | z | t | B | n | |||||
| UCFC201 | 12 | 100 | 78 | 55.1 | 10 | 12 | 5 | 7 | 20.5 | 62 | 28.3 | 32.5 | 31 | 12.7 | M10 | UC201 | FC201 | 0.7 |
| UCFC202 | 15 | 100 | 78 | 55.1 | 10 | 12 | 5 | 7 | 20.5 | 62 | 28.3 | 32.5 | 31 | 12.7 | M10 | UC202 | FC202 | 0.69 |
| UCFC203 | 17 | 100 | 78 | 55.1 | 10 | 12 | 5 | 7 | 20.5 | 62 | 28.3 | 32.5 | 31 | 12.7 | M10 | UC203 | FC203 | 0.68 |
| UCFC204 | 20 | 100 | 78 | 55.1 | 10 | 12 | 5 | 7 | 20.5 | 62 | 28.3 | 32.5 | 31 | 12.7 | M10 | UC204 | FC204 | 0.66 |
| UCFC205 | 25 | 115 | 90 | 63.6 | 10 | 12 | 6 | 7 | 21 | 70 | 29.8 | 34 | 34.1 | 14.3 | M10 | UC205 | FC205 | 0.89 |
| UCFC206 | 30 | 125 | 100 | 70.7 | 10 | 12 | 8 | 8 | 23 | 80 | 32.2 | 36.5 | 38.1 | 15.9 | M10 | UC206 | FC206 | 1.18 |
| UCFC207 | 35 | 135 | 110 | 77.8 | 11 | 14 | 8 | 9 | 26 | 90 | 36.4 | 41 | 42.9 | 17.5 | M12 | UC207 | FC207 | 1.53 |
| UCFC208 | 40 | 145 | 120 | 84.8 | 11 | 14 | 10 | 9 | 26 | 100 | 41.2 | 45.5 | 49.2 | 19 | M12 | UC208 | FC208 | 1.85 |
| UCFC209 | 45 | 160 | 132 | 93.3 | 10 | 16 | 12 | 14 | 26 | 105 | 40.2 | 44.5 | 49.2 | 19 | M14 | UC209 | FC209 | 2.53 |
| UCFC210 | 50 | 165 | 138 | 97.6 | 10 | 16 | 12 | 14 | 28 | 110 | 42.6 | 47.5 | 51.6 | 19 | M14 | UC210 | FC210 | 2.78 |