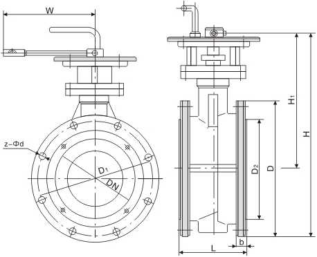
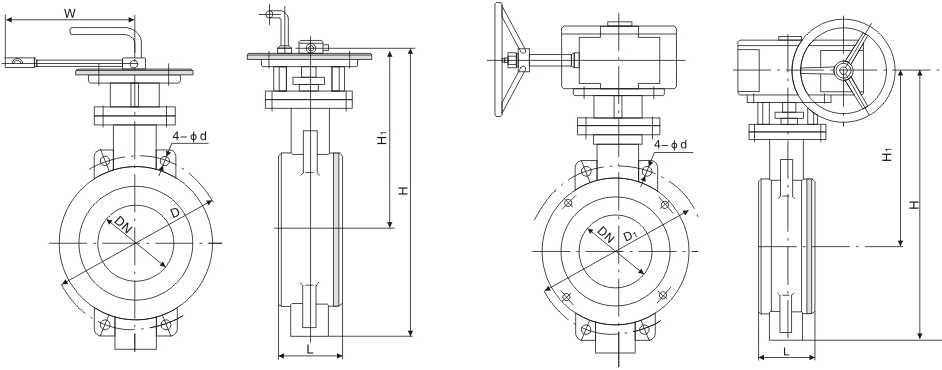
Resilient Metal-to Metal Butterfly Valve
D43F-10C D43F-16C D343F-10C D343F-16C D643F-10C D643F-16C D943FD73F-10C D73F-16C D373F-10C D373F-16C D673F-1-10C D943F-16C D43F-10P D343F-16P D643F-10P D943F-16P D43F-10R D343F-16R D643F-10R D943F-16R








