Flange Gate valve
Z41H-16C Z40H-16C Z41W-16P Z40W-16P Z41Y-16P Z40Y-16P Z41W-16R Z40W-16R Z41Y-16I Z40Y-16I KZ41Y-16C KZ4OY-16C Z540H-16C Z540Y-16P


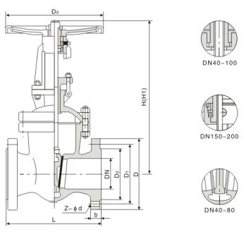
法兰闸阀 Flange Gate valve


| 产品型号 Type |
公称通径DN | PN1.6MPa | WT | |||||||||
| L | D | D1 | D2 | b | Z-Φd | H | H1 | D0 | (kg) | |||
| Z41H-16C Z40H-16C Z41W-16P Z40W-16P Z41Y-16P Z40Y-16P Z41W-16R Z40W-16R Z41Y-16I Z40Y-16I KZ41Y-16C KZ4OY-16C Z540H-16C Z540Y-16P |
40 | 200 | 145 | 110 | 85 | 16 | 4-Φ18 | 300 | 352 | 200 | 26.5 | |
| 50 | 250 | 160 | 125 | 100 | 16 | 4-Φ18 | 358 | 438 | 240 | 29 | ||
| 65 | 265 | 180 | 145 | 120 | 18 | 4-Φ18 | 375 | 450 | 240 | 33 | ||
| 80 | 280 | 195 | 160 | 135 | 20 | 8-Φ18 | 433 | 528 | 280 | 45 | ||
| 100 | 300 | 215 | 180 | 155 | 20 | 8-Φ18 | 502 | 620 | 320 | 63 | ||
| 125 | 325 | 245 | 210 | 185 | 22 | 8-Φ18 | 612 | 753 | 360 | 108 | ||
| 150 | 350 | 280 | 240 | 210 | 24 | 8-Φ23 | 676 | 847 | 360 | 134 | ||
| 200 | 400 | 335 | 295 | 265 | 26 | 12-Φ23 | 820 | 1039 | 400 | 192 | ||
| 250 | 450 | 405 | 355 | 320 | 30 | 12-Φ25 | 969 | 1245 | 450 | 273 | ||
| 300 | 500 | 460 | 410 | 375 | 30 | 12-Φ25 | 1142 | 1472 | 560 | 379 | ||
| 350 | 550 | 520 | 470 | 435 | 34 | 16-Φ25 | 1280 | 1450 | 640 | 590 | ||
| 400 | 600 | 580 | 525 | 485 | 36 | 16-Φ30 | 1452 | 1887 | 640 | 850 | ||
| 450 | 650 | 640 | 585 | 545 | 40 | 20-Φ30 | 1541 | 2011 | 720 | 907 | ||
| 500 | 700 | 705 | 650 | 608 | 44 | 20-Φ34 | 1676 | 2181 | 720 | 958 | ||
| 600 | 800 | 840 | 770 | 718 | 48 | 20-Φ41 | 1874 | 2346 | 800 | 1112 | ||
| 700 | 900 | 910 | 840 | 788 | 50 | 24-Φ41 | 2083 | 2517 | 800 | 1290 | ||
| 800 | 1000 | 1020 | 950 | 898 | 52 | 24-Φ41 | 2400 | 2890 | 950 | 1485 | ||
| 900 | 1100 | 1120 | 1050 | 998 | 54 | 28-Φ41 | 2950 | 3316 | 1000 | 1773 | ||
| 1000 | 1200 | 1255 | 1170 | 1110 | 56 | 28-Φ48 | 3245 | 3600 | 1000 | 2160 | ||
| 产品型号 Type |
公称通径DN | PN2.5MPa | WT | |||||||||
| L | D | D1 | D2 | b | Z-Φd | H | H1 | D0 | (kg) | |||
| Z41H-25 Z40H-25 Z41W-25P Z40W-25P Z41Y-25P Z40Y-25P Z41Y-25R Z40Y-25R Z41Y-25I Z40Y-25I KZ41Y-25 KZ4OY-25 Z540H-25 Z540Y-25P |
40 | 200 | 145 | 110 | 85 | 18 | 4-Φ18 | 300 | 352 | 200 | 18 | |
| 50 | 250 | 160 | 125 | 100 | 20 | 4-Φ18 | 358 | 438 | 240 | 28 | ||
| 65 | 265 | 180 | 145 | 120 | 22 | 8-Φ18 | 375 | 450 | 240 | 33 | ||
| 80 | 280 | 195 | 160 | 135 | 22 | 8-Φ18 | 433 | 528 | 280 | 46 | ||
| 100 | 300 | 230 | 190 | 160 | 24 | 8-Φ23 | 502 | 620 | 320 | 64 | ||
| 125 | 325 | 270 | 220 | 188 | 28 | 8-Φ25 | 612 | 753 | 360 | 116 | ||
| 150 | 350 | 300 | 250 | 218 | 30 | 8-Φ25 | 676 | 847 | 260 | 141 | ||
| 200 | 400 | 360 | 310 | 278 | 34 | 12-Φ25 | 820 | 1039 | 400 | 213 | ||
| 250 | 450 | 425 | 370 | 332 | 36 | 12-Φ30 | 969 | 1245 | 450 | 290 | ||
| 300 | 500 | 485 | 430 | 390 | 40 | 16-Φ30 | 1142 | 1472 | 560 | 400 | ||
| 350 | 550 | 550 | 490 | 448 | 44 | 16-Φ34 | 1280 | 1450 | 640 | 631 | ||
| 400 | 600 | 610 | 550 | 505 | 48 | 16-Φ34 | 1452 | 1887 | 640 | 900 | ||
| 450 | 650 | 660 | 600 | 555 | 50 | 20-Φ34 | 1541 | 2011 | 720 | 1013 | ||
| 500 | 700 | 730 | 660 | 610 | 52 | 20-Φ41 | 1676 | 2181 | 720 | 1166 | ||
| 600 | 800 | 840 | 770 | 718 | 56 | 20-Φ41 | 1874 | 2346 | 800 | 1258 | ||
| 700 | 900 | 955 | 875 | 815 | 60 | 24-Φ48 | 2083 | 2517 | 800 | 1383 | ||
| 800 | 1000 | 1070 | 990 | 930 | 64 | 24-Φ48 | 2400 | 2890 | 950 | 1596 | ||
| 900 | 1100 | 1180 | 1090 | 1025 | 66 | 28-Φ54 | 2950 | 3316 | 1000 | 1865 | ||
| 1000 | 1200 | 1305 | 1210 | 1140 | 68 | 28-Φ58 | 3245 | 3600 | 1000 | 2351 | ||
| 产品型号 Type | 公称通径DN | PN4.0MPa | WT | |||||||||
| L | D | D1 | D2 | D6 | b | Z-Φd | H | H1 | D0 | (kg) | ||
| Z41H-40 Z40H-40 Z41Y-40P Z40Y-40P Z41Y-40R Z40Y-40R Z41Y-40I Z40Y-40I KZ41Y-40 KZ40Y-40 Z540H-40 Z540Y-40P |
40 | 200 | 145 | 110 | 85 | 76 | 18 | 4-Φ18 | 323 | 369 | 200 | 29 |
| 50 | 250 | 160 | 125 | 100 | 88 | 20 | 4-Φ18 | 372 | 440 | 280 | 36 | |
| 65 | 280 | 180 | 145 | 120 | 110 | 22 | 8-Φ18 | 305 | 473 | 280 | 39 | |
| 80 | 310 | 195 | 160 | 135 | 121 | 22 | 8-Φ18 | 457 | 552 | 320 | 52 | |
| 100 | 350 | 230 | 190 | 160 | 150 | 24 | 8-Φ23 | 552 | 671 | 360 | 80 | |
| 125 | 400 | 270 | 220 | 188 | 176 | 28 | 8-Φ25 | 634 | 726 | 400 | 127 | |
| 150 | 450 | 300 | 250 | 218 | 204 | 30 | 8-Φ25 | 708 | 883 | 400 | 154 | |
| 200 | 550 | 375 | 320 | 282 | 260 | 38 | 12-Φ30 | 858 | 1086 | 450 | 263 | |
| 250 | 650 | 445 | 385 | 345 | 313 | 42 | 16-Φ34 | 1015 | 1298 | 460 | 368 | |
| 300 | 750 | 510 | 450 | 408 | 364 | 46 | 16-Φ34 | 1203 | 1535 | 640 | 547 | |
| 350 | 850 | 570 | 510 | 465 | 422 | 52 | 16-Φ34 | 1341 | 1678 | 640 | 679 | |
| 400 | 950 | 665 | 585 | 535 | 474 | 58 | 20-Φ41 | 1492 | 1903 | 720 | 953 | |
| 450 | 1050 | 680 | 610 | 560 | 524 | 60 | 20-Φ41 | 1583 | 2215 | 800 | 1253 | |
| 500 | 1150 | 755 | 670 | 612 | 576 | 62 | 20-Φ41 | 1792 | 2580 | 950 | 1589 | |
| 600 | 1350 | 890 | 795 | 730 | 678 | 62 | 20-Φ41 | 2035 | 2916 | 950 | 1903 | |
| 产品型号 Type | 公称通径DN | PN6.4MPa | WT (kg) | |||||||||
| L | D | D1 | D2 | D6 | b | Z-Φd | H | H1 | D0 | |||
| Z41H-64 Z40H-64 Z41Y-64P Z40Y-64P Z41Y-64R Z40Y-64R Z41Y-64I Z40Y-64I KZ41Y-64 KZ40Y-64 Z540H-64 Z540Y-64P |
40 | 240 | 165 | 125 | 125 | 125 | 125 | 4-Φ23 | 360 | 389 | 389 | 29 |
| 50 | 250 | 175 | 135 | 105 | 88 | 26 | 4-Φ23 | 372 | 448 | 448 | 34 | |
| 65 | 280 | 200 | 180 | 130 | 110 | 28 | 8-Φ23 | 395 | 475 | 280 | 43 | |
| 80 | 310 | 210 | 170 | 140 | 121 | 30 | 8-Φ23 | 458 | 553 | 320 | 60 | |
| 100 | 350 | 250 | 200 | 168 | 150 | 32 | 8-Φ25 | 553 | 649 | 360 | 89 | |
| 125 | 400 | 295 | 240 | 202 | 176 | 36 | 8-Φ30 | 638 | 779 | 400 | 140 | |
| 150 | 450 | 340 | 280 | 240 | 204 | 38 | 8-Φ34 | 718 | 893 | 450 | 207 | |
| 200 | 550 | 405 | 345 | 300 | 260 | 44 | 12-Φ34 | 873 | 1100 | 560 | 325 | |
| 250 | 650 | 470 | 400 | 352 | 313 | 48 | 12-Φ41 | 1053 | 1332 | 840 | 467 | |
| 300 | 750 | 530 | 460 | 412 | 364 | 54 | 16-Φ41 | 1203 | 1535 | 640 | 590 | |
| 350 | 850 | 595 | 525 | 475 | 422 | 60 | 16-Φ41 | 1394 | 1863 | 720 | 681 | |
| 400 | 950 | 670 | 585 | 525 | 474 | 66 | 16-Φ48 | 1645 | 2070 | 800 | 972 | |
| 450 | 1050 | 670 | 630 | 570 | 524 | 70 | 20-Φ48 | 1903 | 2381 | 800 | 1269 | |
| 500 | 1150 | 800 | 705 | 640 | 576 | 70 | 20-Φ54 | 2285 | 2600 | 950 | 1606 | |
| 600 | 1350 | 950 | 820 | 750 | 678 | 76 | 20-Φ58 | 2601 | 3010 | 950 | 2123 | |
| 产品型号 Type | 公称通径DN | PN10.0MPa | WT (kg) | |||||||||
| L | D | D1 | D2 | D6 | b | Z-Φd | H | H1 | D0 | |||
| Z41H-100 Z40H-100 Z41Y-100P Z40Y-100P Z41Y-100R Z40Y-100R Z41Y-100I Z40Y-100I KZ41Y-100 KZ40Y-100 Z540H-100 Z540Y100P |
40 | 240 | 165 | 125 | 95 | 76 | 26 | 4-Φ23 | 360 | 389 | 280 | 51 |
| 50 | 250 | 195 | 145 | 112 | 88 | 28 | 4-Φ23 | 490 | 558 | 360 | 60 | |
| 65 | 280 | 220 | 170 | 138 | 110 | 32 | 8-Φ25 | 540 | 622 | 400 | 70 | |
| 80 | 310 | 230 | 180 | 148 | 121 | 34 | 8-Φ25 | 573 | 671 | 400 | 89 | |
| 100 | 350 | 265 | 210 | 172 | 150 | 38 | 8-Φ30 | 575 | 671 | 400 | 130 | |
| 125 | 400 | 310 | 250 | 210 | 176 | 42 | 8-Φ34 | 744 | 892 | 560 | 223 | |
| 150 | 450 | 350 | 290 | 250 | 204 | 46 | 12-Φ34 | 800 | 972 | 560 | 295 | |
| 200 | 550 | 430 | 360 | 312 | 260 | 54 | 12-Φ41 | 800 | 972 | 560 | 559 | |
| 250 | 650 | 500 | 430 | 382 | 313 | 60 | 12-Φ42 | 1050 | 1305 | 640 | 640 | |
| 300 | 750 | 585 | 500 | 442 | 364 | 70 | 16-Φ48 | 1208 | 1506 | 640 | 730 | |
| 350 | 850 | 655 | 560 | 498 | 422 | 76 | 16-Φ54 | 1410 | 1915 | 720 | 850 | |
| 400 | 950 | 715 | 620 | 558 | 474 | 80 | 16-Φ54 | 1655 | 2304 | 720 | 975 | |