Knife Gate Valve
Z73W-10 Z73H-10C Z73W-10P Z573W-10 Z573H-10C Z573W-10P Z673W-10 Z673H-10C Z673W-10P Z973W-10 Z973H-10C Z973W-10P Z73H-16C Z73W-16P Z73Y-16P Z573H-16C Z573W-16P Z573Y-16P Z673H-16C Z673W-16


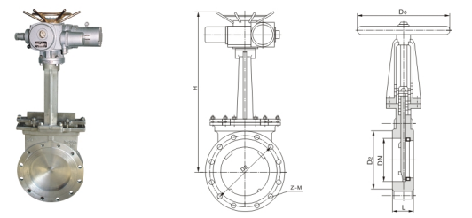
刀型闸阀 Knife Gate Valve

| 产品型号 Type | 公称通径 DN | 主要外形尺寸和连接尺寸(mm ) Main external and connecting dimensions | |||||||
| L | D | D1 | D2 | Z-M | H | DO | W | ||
| Z73W-10 Z73H-10C Z73W-10P Z573W-10 Z573H-10C Z573W-10P Z673W-10 Z673H-10C Z673W-10P Z973W-10 Z973H-10C Z973W-10P | 50 | 48 | 160 | 125 | 100 | 4-M16 | 285 | 180 | 8 |
| 65 | 48 | 180 | 145 | 120 | 4-M16 | 298 | 180 | 10 | |
| 80 | 50 | 195 | 160 | 135 | 4-M16 | 315 | 220 | 12 | |
| 100 | 50 | 215 | 180 | 155 | 8-M16 | 365 | 220 | 14 | |
| 150 | 57 | 280 | 240 | 210 | 8-M20 | 475 | 280 | 29 | |
| 200 | 70 | 335 | 295 | 265 | 8-M20 | 540 | 360 | 38 | |
| 250 | 70 | 390 | 350 | 320 | 12-M20 | 630 | 360 | 66 | |
| 300 | 76 | 440 | 400 | 368 | 12-M20 | 780 | 400 | 100 | |
| 350 | 76 | 500 | 460 | 428 | 16-M20 | 885 | 400 | 119 | |
| 400 | 89 | 565 | 515 | 482 | 16-M22 | 990 | 400 | 195 | |
| 450 | 89 | 615 | 565 | 532 | 20-M22 | 1100 | 530 | 285 | |
| 500 | 114 | 670 | 620 | 585 | 20-M22 | 1200 | 530 | 389 | |
| 600 | 114 | 780 | 725 | 685 | 20-M27 | 1450 | 600 | 529 | |
| Z73H-16C Z73W-16P Z73Y-16P Z573H-16C Z573W-16P Z573Y-16P Z673H-16C Z673W-16P Z673Y-16P Z973H-16C Z973W-16P Z973Y-16P | 50 | 48 | 165 | 125 | 99 | 4-M16 | 285 | 180 | 8.5 |
| 65 | 48 | 185 | 145 | 118 | 4-M16 | 295 | 180 | 10.7 | |
| 80 | 50 | 200 | 160 | 132 | 8-M15 | 315 | 220 | 13 | |
| 100 | 50 | 220 | 180 | 156 | 8-M16 | 365 | 220 | 15 | |
| 150 | 57 | 285 | 240 | 211 | 8-M20 | 475 | 280 | 31 | |
| 200 | 70 | 340 | 295 | 266 | 12-M20 | 540 | 360 | 40.7 | |
| 250 | 70 | 405 | 355 | 319 | 12-M24 | 630 | 360 | 70 | |
| 300 | 76 | 460 | 410 | 370 | 12-M24 | 780 | 400 | 107 | |
| 350 | 76 | 520 | 470 | 429 | 16-M24 | 885 | 400 | 129 | |
| 400 | 89 | 580 | 525 | 480 | 16-M27 | 990 | 400 | 215 | |
| 450 | 89 | 640 | 585 | 548 | 20-M27 | 1100 | 530 | 305 | |
| 500 | 114 | 715 | 650 | 609 | 20-M30 | 1200 | 530 | 410 | |
| 600 | 114 | 840 | 775 | 720 | 20-M33 | 1450 | 600 | 550 | |