Throttlbe Globe valve
L41H-16C L41W-16P L41W-16R L41H-40 L41W-40P L41W-40R


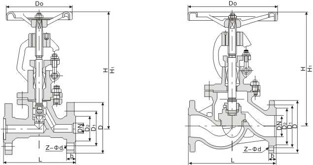
节流截止阀 Throttlbe Globe valve


| 产品型号 Type |
公称通径DN | PN1.6MPa | WT (kg) | |||||||||
| L | D | D1 | D2 | D3 | b | Z-Φd | H | H1 | D0 | |||
| L41H-16C L41W-16P L41W-16R |
10 | 130 | 90 | 60 | 40 | 82 | 14 | 4-Φ14 | 198 | 207 | 120 | 4.8 |
| 15 | 130 | 95 | 65 | 45 | 82 | 14 | 4-Φ14 | 200 | 212 | 120 | 4.9 | |
| 20 | 150 | 105 | 75 | 55 | 95 | 14 | 4-Φ14 | 243 | 260 | 140 | 7 | |
| 25 | 160 | 115 | 85 | 65 | 98 | 14 | 4-Φ14 | 253 | 276 | 160 | 8.7 | |
| 40 | 200 | 145 | 110 | 80 | 135 | 16 | 4-Φ18 | 312 | 336 | 200 | 15.9 | |
| 50 | 230 | 160 | 125 | 100 | 150 | 16 | 4-Φ18 | 321 | 340 | 200 | 19 | |
| 65 | 290 | 180 | 145 | 120 | 170 | 18 | 4-Φ18 | 325 | 355 | 240 | 23 | |
| 80 | 310 | 195 | 160 | 135 | 190 | 20 | 8-Φ18 | 355 | 390 | 240 | 30 | |
| 100 | 350 | 215 | 180 | 155 | 210 | 20 | 8-Φ18 | 415 | 460 | 280 | 42 | |
| 125 | 400 | 245 | 210 | 185 | 250 | 22 | 8-Φ18 | 460 | 520 | 320 | 63 | |
| 150 | 480 | 280 | 240 | 210 | 300 | 24 | 8-Φ23 | 510 | 580 | 360 | 90 | |
| 200 | 600 | 335 | 295 | 265 | 355 | 26 | 12-Φ23 | 700 | 780 | 360 | 150 | |
| 产品型号 Type | 公称通径DN | PN2.5MPa | WT (kg) | |||||||||
| L | D | D1 | D2 | D3 | b | Z-Φd | H | H1 | D0 | |||
| L41H-25 L41W-25P L41W-25R |
15 | 130 | 90 | 60 | 40 | 一 | 16 | 4-Φ14 | 198 | 207 | 120 | 4.9 |
| 10 | 130 | 95 | 65 | 45 | — | 16 | 4-Φ14 | 233 | 241 | 120 | 4.9 | |
| 20 | 150 | 105 | 75 | 55 | — | 16 | 4-Φ14 | 275 | 285 | 140 | 7 | |
| 25 | 160 | 115 | 85 | 65 | — | 16 | 4-Φ14 | 285 | 300 | 160 | 8.6 | |
| 32 | 180 | 135 | 100 | 78 | 115 | 18 | 4-Φ18 | 302 | 327 | 180 | 12 | |
| 40 | 200 | 145 | 110 | 85 | 135 | 18 | 4-Φ18 | 355 | 385 | 200 | 18.5 | |
| 50 | 230 | 160 | 125 | 100 | 160 | 20 | 4-Φ18 | 362 | 397 | 240 | 23.5 | |
| 65 | 290 | 180 | 145 | 120 | 180 | 22 | 8-Φ18 | 325 | 345 | 280 | 32.5 | |
| 80 | 310 | 195 | 160 | 135 | 198 | 22 | 8-Φ18 | 369 | 420 | 280 | 43.7 | |
| 100 | 350 | 230 | 190 | 160 | 230 | 24 | 8-Φ23 | 370 | 425 | 320 | 60 | |
| 150 | 480 | 300 | 250 | 218 | 330 | 30 | 8-Φ25 | 611 | 692 | 400 | 98 | |
| 200 | 600 | 360 | 310 | 278 | 405 | 34 | 12-Φ25 | 721 | 806 | 400 | 169 | |
| 产品型号 Type | 公称通径DN | PN4.0MPa | WT (kg) | |||||||||
| L | D | D1 | D2 | D3 | b | Z-Φd | H | H1 | D0 | |||
| L41H-40 L41W-40P L41W-40R |
10 | 130 | 90 | 60 | 40 | 16 | 35 | 4-Φ14 | 198 | 207 | 120 | 4.9 |
| 15 | 130 | 95 | 65 | 45 | 16 | 40 | 4-Φ14 | 233 | 241 | 120 | 5 | |
| 20 | 150 | 105 | 75 | 55 | 16 | 51 | 4-Φ14 | 275 | 285 | 140 | 7 | |
| 25 | 160 | 115 | 85 | 65 | 16 | 58 | 4-Φ14 | 285 | 300 | 160 | 8.7 | |
| 32 | 180 | 135 | 100 | 78 | 18 | 66 | 4-Φ18 | 302 | 327 | 160 | 11.6 | |
| 40 | 200 | 145 | 110 | 85 | 18 | 76 | 4-Φ18 | 355 | 385 | 200 | 15.6 | |
| 50 | 230 | 160 | 125 | 100 | 20 | 88 | 4-Φ18 | 373 | 391 | 240 | 22.6 | |
| 65 | 290 | 180 | 145 | 120 | 22 | 110 | 8-Φ18 | 408 | 433 | 280 | 32.9 | |
| 80 | 310 | 195 | 160 | 135 | 22 | 121 | 8-Φ18 | 436 | 468 | 320 | 43 | |
| 100 | 350 | 230 | 190 | 160 | 24 | 150 | 8-Φ23 | 480 | 520 | 360 | 58.8 | |
| 125 | 400 | 270 | 220 | 188 | 28 | 176 | 8-Φ25 | 558 | 608 | 400 | 85 | |
| 150 | 480 | 300 | 250 | 218 | 30 | 204 | 8-Φ25 | 611 | 692 | 400 | 97.6 | |
| 200 | 600 | 375 | 320 | 282 | 38 | 260 | 12-Φ30 | 722 | 831 | 400 | 175 | |