Bellows Globe valve
WJ61H-16C WJ61H-25 WJ61H-40 WJ61W-16P WJ61W-25P WJ61W-40P WJ41H-16C WJ41W-16P WJ41H-25 WJ41W-25P WJ41H-40 WJ41W-40


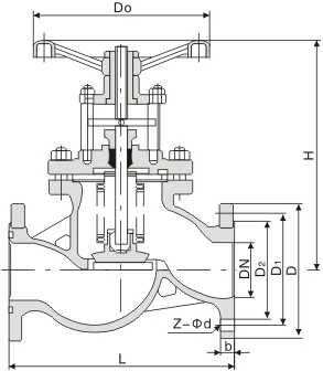
WJ41H-40 WJ41W-40



| 产品型号 Type | 公称通径 DN | PN1.6/2.5/4.0MPa | WT (kg) | |||||||
| L | D | D1 | L1 | L2 | H | D0 | ||||
| WJ61H-16C WJ61H-25 WJ61H-40 WJ61W-16P WJ61W-25P WJ61W-40P |
15 | 110 | 34 | 22.5 | 10 | 18 | 214 | 22.5 | 1.9 | |
| 20 | 130 | 40 | 28.5 | 11 | 18 | 242 | 28.5 | 2.3 | ||
| 25 | 140 | 48 | 34.5 | 12 | 20 | 245 | 34.5 | 3.4 | ||
| 32 | 160 | 56 | 43 | 14 | 22 | 296 | 43 | 5.2 | ||
| 40 | 180 | 64 | 49 | 15 | 25 | 337 | 49 | 7.3 | ||
| 50 | 230 | 85 | 61 | 18 | 28 | 342 | 61 | 10 | ||
| 产品型号 Type | 公称通径 DN | PN1.6/2.5/4.0MPa | WT (kg) | |||||||
| L | D | D1 | D2 | b | Z-Φd | H | D0 | |||
| WJ41H-16C WJ41W-16P |
15 | 130 | 95 | 65 | 47 | 14 | 4-Φ13.5 | 202 | 120 | 5 |
| 20 | 150 | 105 | 75 | 58 | 14 | 4-Φ13.5 | 231 | 140 | 7 | |
| 25 | 160 | 115 | 85 | 68 | 14 | 4-Φ13.5 | 231 | 140 | 9 | |
| 32 | 180 | 140 | 100 | 78 | 16 | 4-Φ17.5 | 286 | 160 | 12 | |
| 40 | 200 | 150 | 110 | 88 | 16 | 4-Φ17.5 | 317 | 200 | 16 | |
| 50 | 230 | 165 | 125 | 102 | 16 | 4-Φ17.5 | 317 | 200 | 19 | |
| 65 | 290 | 185 | 145 | 122 | 18 | 8-Φ17.5 | 331 | 240 | 23 | |
| 80 | 310 | 200 | 160 | 123 | 20 | 8-Φ17.5 | 402 | 240 | 30 | |
| 100 | 350 | 220 | 180 | 158 | 20 | 8-Φ17.5 | 416 | 320 | 42 | |
| 125 | 400 | 250 | 210 | 184 | 22 | 8-Φ17.5 | 467 | 360 | 63 | |
| 150 | 480 | 285 | 240 | 212 | 24 | 8-Φ22 | 525 | 360 | 90 | |
| 200 | 600 | 340 | 295 | 268 | 26 | 12-Φ22 | 611 | 500 | 150 | |
| WJ41H-25 WJ41W-25P |
15 | 130 | 95 | 65 | 47 | 16 | 4-Φ13.5 | 202 | 120 | 5 |
| 20 | 150 | 105 | 75 | 58 | 16 | 4-Φ13.5 | 231 | 160 | 7 | |
| 25 | 160 | 115 | 385 | 68 | 16 | 4-Φ13.5 | 231 | 160 | 9 | |
| 32 | 180 | 140 | 100 | 78 | 18 | 4-Φ17.5 | 286 | 160 | 12 | |
| 40 | 200 | 150 | 110 | 88 | 18 | 4-Φ17.5 | 317 | 200 | 19 | |
| 50 | 230 | 165 | 125 | 102 | 20 | 4-Φ17.5 | 317 | 200 | 24 | |
| 65 | 290 | 185 | 145 | 122 | 22 | 8-Φ17.5 | 331 | 280 | 33 | |
| 80 | 310 | 200 | 160 | 133 | 22 | 8-Φ17.5 | 402 | 280 | 44 | |
| 100 | 350 | 235 | 190 | 158 | 24 | 8-Φ22 | 416 | 320 | 60 | |
| 125 | 400 | 270 | 220 | 184 | 28 | 8-Φ26 | 467 | 360 | 72 | |
| 150 | 480 | 300 | 250 | 212 | 30 | 8-Φ26 | 525 | 360 | 98 | |
| 200 | 600 | 360 | 310 | 278 | 30 | 12-Φ27 | 611 | 500 | 169 | |
| WJ41H-40 WJ41W-40 |
15 | 130 | 95 | 65 | 47 | 16 | 4-Φ13.5 | 202 | 120 | 5 |
| 20 | 150 | 105 | 75 | 58 | 16 | 4-Φ13.5 | 228 | 160 | 7 | |
| 25 | 160 | 115 | 85 | 68 | 16 | 4-Φ13.5 | 228 | 160 | 9 | |
| 32 | 180 | 140 | 100 | 78 | 18 | 4-Φ17.5 | 274 | 160 | 12 | |
| 40 | 200 | 150 | 110 | 88 | 20 | 4-Φ17.5 | 345 | 200 | 16 | |
| 50 | 230 | 165 | 125 | 102 | 22 | 4-Φ17.5 | 396 | 200 | 23 | |
| 65 | 290 | 180 | 145 | 122 | 22 | 8-Φ17.5 | 339 | 280 | 33 | |
| 80 | 310 | 200 | 160 | 133 | 24 | 8-Φ17.5 | 405 | 280 | 43 | |
| 100 | 350 | 235 | 190 | 158 | 28 | 8-Φ22 | 460 | 320 | 69 | |