ANSI Check Valve
H44H-150Lb H44H-150LbP H44H-150LbP H44H-150LbR H44H-150LbL H44H-150LbL


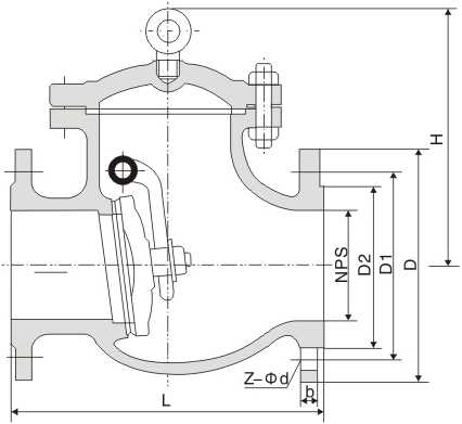
磅级止回阀 ANSI Check Valve




| 产品型号 Type | NPS | DN | Class 150Lb/300Lb/600Lb | WT (Kg) | ||||||
| in | mm | L | D | D1 | D2 | b | Z-Φd | H | ||
| H44H-150Lb H44H-150LbP H44H-150LbP H44H-150LbR H44H-150LbL H44H-150LbL |
2" | 50 | 203 | 157 | 120.7 | 92 | 19.5 | 4-Φ19 | 161 | 17 |
| 21/2" | 65 | 216 | 178 | 139.7 | 105 | 22.5 | 4-Φ19 | 180 | 23 | |
| 3" | 80 | 241 | 190.5 | 152.4 | 127 | 24 | 4-Φ19 | 190 | 33 | |
| 4" | 100 | 292 | 229 | 190.5 | 157.2 | 24 | 8-Φ19 | 220 | 44 | |
| 6" | 150 | 356 | 279 | 241.5 | 216 | 25.5 | 8-Φ22.5 | 257 | 78 | |
| 8" | 200 | 495 | 343 | 298.5 | 270 | 29 | 8-Φ22.5 | 292 | 137 | |
| 10" | 250 | 622 | 406 | 362 | 324 | 30.5 | 12-Φ25 | 350 | 207 | |
| 12" | 300 | 698 | 483 | 432 | 381 | 32 | 12-Φ25 | 398 | 279 | |
| 14" | 350 | 787 | 533 | 476.8 | 413 | 35 | 12-Φ29 | 445 | 387 | |
| 16" | 400 | 864 | 597 | 539.8 | 470 | 37 | 16-Φ29 | 490 | 446 | |
| 18" | 450 | 978 | 635 | 577.8 | 533 | 40 | 16-Φ32 | 520 | 621 | |
| 20" | 500 | 978 | 698 | 635 | 584 | 43 | 20-Φ32 | 546 | 770 | |
| 24" | 600 | 1295 | 813 | 749.3 | 692 | 48 | 20-Φ35 | 880 | 970 | |
| H44H-300Lb H44H-300LbP H44H-300LbP H44H-300LbR H44H-300LbL H44H-300LbL | 2" | 50 | 267 | 165 | 127 | 92 | 22.5 | 8-Φ19 | 179.5 | 20 |
| 21/2" | 65 | 292 | 190 | 150 | 405 | 25 | 8-Φ22 | 190 | 24 | |
| 3" | 80 | 318 | 210 | 168 | 127 | 29 | 8-Φ22.5 | 212.4 | 40 | |
| 4" | 100 | 356 | 254 | 200 | 157 | 32 | 8-Φ22.5 | 246 | 51 | |
| 6" | 150 | 445 | 317.5 | 269.7 | 216 | 37 | 12-Φ22.5 | 292 | 90 | |
| 8" | 200 | 533 | 381 | 330 | 270 | 41.5 | 12-Φ25.5 | 328 | 175 | |
| 10" | 250 | 622 | 444.5 | 387 | 324 | 48 | 16-Φ28.5 | 378.6 | 210 | |
| 12" | 300 | 711 | 521 | 451 | 381 | 51 | 16-Φ32 | 450 | 286 | |
| 14" | 350 | 838 | 584 | 514 | 54 | 54 | 20-Φ32 | 470 | 400 | |
| 16" | 400 | 864 | 648 | 572 | 57 | 57 | 20-Φ35 | 530 | 550 | |
| 18" | 450 | 978 | 711 | 629 | 60 | 60 | 24-Φ35 | 584 | 700 | |
| 20" | 500 | 1016 | 775 | 686 | 64 | 64 | 24-Φ35 | 610 | 860 | |
| 24" | 600 | 1346 | 914 | 813 | 70 | 70 | 24-Φ41 | 860 | 1931 | |
| H44H-600Lb H44H-600LbP H44H-600LbP H44H-600LbR H44H-600LbL H44H-600LbL | 2" | 50 | 292 | 165 | 127 | 92 | 25 | 8-Φ19 | 203 | 34 |
| 21/2" | 65 | 330 | 190 | 150 | 105 | 29 | 8-Φ22 | 229 | 45 | |
| 3" | 50 | 356 | 210 | 168 | 127 | 32 | 8-Φ22 | 235 | 63 | |
| 4" | 100 | 432 | 273 | 216 | 157 | 38 | 8-Φ25 | 286 | 114 | |
| 6" | 150 | 559 | 356 | 292 | 216 | 48 | 8-Φ29 | 330 | 207 | |
| 8" | 200 | 660 | 419 | 349 | 270 | 56 | 12-Φ30 | 381 | 387 | |
| 10" | 250 | 787 | 508 | 432 | 324 | 64 | 12-Φ32 | 457 | 580 | |
| 12" | 300 | 838 | 559 | 489 | 3851 | 67 | 16-Φ35 | 584 | 778 | |
| 14" | 350 | 889 | 603 | 527 | 413 | 70 | 20-Φ38 | 635 | 9869 | |
| 16" | 400 | 991 | 686 | 603 | 470 | 76 | 20-Φ41 | 684 | 1380 | |