ANSI Cryogenic Check Valve
DH44Y-150Lb DH44Y-300Lb DH44Y-600Lb


磅级低温止回阀 ANSI Cryogenic Check Valve


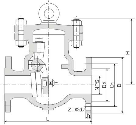
| 产品型号 Type | NPS | DN | Class 150Lb/300Lb/600Lb | WT (Kg) | ||||||
| in | mm | L | D | D1 | D2 | b | Z-Φd | H | ||
| DH44Y-150Lb | 2" | 50 | 203 | 157 | 120.7 | 92 | 19.5 | 4-Φ19 | 161 | 16.6 |
| 21/2" | 65 | 216 | 178 | 139.7 | 105 | 22.5 | 4-Φ19 | 180 | 22.5 | |
| 3" | 80 | 241 | 190.5 | 152.4 | 127 | 24 | 4-Φ19 | 190 | 32.5 | |
| 4" | 100 | 292 | 229 | 190.5 | 157.2 | 24 | 8-Φ19 | 220 | 53.8 | |
| 6" | 150 | 356 | 279 | 241.5 | 216 | 25.5 | 8-Φ22.5 | 257 | 83.8 | |
| 8n | 200 | 495 | 343 | 298.5 | 270 | 29 | 8-Φ22.5 | 292 | 141.3 | |
| 10" | 250 | 622 | 406 | 362 | 324 | 30.5 | 12-Φ25 | 350 | 190.5 | |
| 12" | 300 | 698 | 483 | 432 | 381 | 32 | 12-Φ25 | 398 | 292 | |
| DH44Y-300Lb | 2" | 50 | 267 | 165 | 127 | 92 | 22.5 | 8-Φ19 | 179.5 | 21 |
| 21/2" | 65 | 292 | 191 | 149 | 105 | 26 | 8-Φ22 | 204 | 34 | |
| 3" | 80 | 318 | 210 | 168 | 127 | 29 | 8-Φ22.5 | 212.4 | 47 | |
| 4" | 100 | 356 | 254 | 200 | 157 | 32 | 8-Φ22.5 | 246 | 69 | |
| 6" | 150 | 445 | 317.5 | 269.7 | 216 | 37 | 12-Φ22.5 | 292 | 133 | |
| 8" | 200 | 533 | 381 | 330 | 270 | 41.5 | 12-Φ22.5 | 328 | 165.5 | |
| 10" | 250 | 622 | 444.5 | 387 | 324 | 48 | 16-Φ28.5 | 378.6 | 208 | |
| 12" | 300 | 711 | 521 | 451 | 381 | 51 | 16-Φ32 | 420 | 296 | |
| DH44Y-600Lb | 2" | 50 | 292 | 165 | 127 | 92 | 25.5 | 8-Φ19 | 192 | 34 |
| 21/2" | 65 | 330 | 190 | 149 | 100 | 36 | 8-Φ22 | 229 | 45 | |
| 3" | 80 | 356 | 210 | 168 | 127 | 32 | 8-Φ22.5 | 220 | 63 | |
| 4" | 100 | 406 | 254 | 200 | 157 | 35 | 8-Φ22.5 | 245 | 114 | |
| 6" | 150 | 495 | 317.5 | 270 | 216 | 41.5 | 12-Φ25.5 | 295 | 207 | |
| 8" | 200 | 597 | 361 | 330 | 270 | 48 | 12-Φ28.5 | 330 | 387 | |
| 10" | 250 | 673 | 445 | 387 | 324 | 54 | 16-Φ32 | 380 | 580 | |
| 12" | 300 | 762 | 520 | 450.8 | 381 | 57.5 | 16-Φ35 | 425 | 778 | |