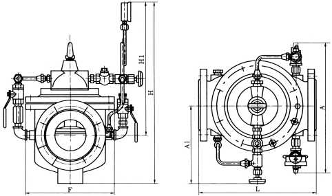
Pressure reducing valve、slowly-closing check valve
DN20-DN600 DN


减压阀 Pressure reducing valve


| 公称通径 DN(mm) | 尺寸 Size(mm) | 公称通径DN(mm) | 尺寸 Size(mm) | ||||
| L | 宽 Wide | H | L | 宽 Wide | H | ||
| 20 | 150 | 245 | 195 | 150 | 356 | 385 | 385 |
| 25 | 160 | 254 | 208 | 200 | 495 | 438 | 437 |
| 32 | 180 | 263 | 222 | 250 | 622 | 490 | 532 |
| 40 | 200 | 272 | 237 | 300 | 698 | 550 | 600 |
| 50 | 203 | 282 | 254 | 350 | 787 | 617 | 677 |
| 65 | 216 | 292 | 272 | 400 | 914 | 693 | 764 |
| 80 | 241 | 310 | 282 | 450 | 978 | 778 | 862 |
| 100 | 292 | 330 | 303 | 500 | 978 | 873 | 972 |
| 125 | 330 | 358 | 344 | 600 | 1230 | 980 | 1096 |
缓闭止回阀 slowly-closing check valve


| 公称通径DN(mm) | 尺寸 Size(mm) | |||||
| L | A1 | A | H1 | H | F | |
| 20 | 150 | 200 | 282 | 106 | 172 | 116 |
| 25 | 160 | 200 | 282 | 106 | 172 | 116 |
| 32 | 180 | 200 | 282 | 106 | 172 | 116 |
| 40 | 200 | 210 | 320 | 137 | 225 | 168 |
| 50 | 203 | 210 | 320 | 137 | 225 | 168 |
| 65 | 216 | 215 | 330 | 145 | 270 | 180 |
| 80 | 241 | 220 | 330 | 178 | 289 | 210 |
| 100 | 292 | 230 | 410 | 232 | 375 | 284 |
| 125 | 330 | 245 | 420 | 286 | 420 | 310 |
| 150 | 356 | 260 | 420 | 318 | 450 | 370 |
| 200 | 495 | 280 | 430 | 413 | 722 | 463 |
| 250 | 622 | 300 | 450 | 502 | 769 | 525 |
| 300 | 698 | 320 | 460 | 600 | 906 | 625 |
| 350 | 787 | 340 | 470 | 638 | 1480 | 705 |
| 400 | 914 | 360 | 480 | 677 | 1027 | 778 |
| 450 | 978 | 360 | 480 | 677 | 1027 | 778 |
| 500 | 978 | 410 | 780 | 750 | 1110 | 690 |
| 600 | 1230 | 456 | 888 | 850 | 1286 | 785 |