Flow control valve、Pressure relief valve
DN20-DN450


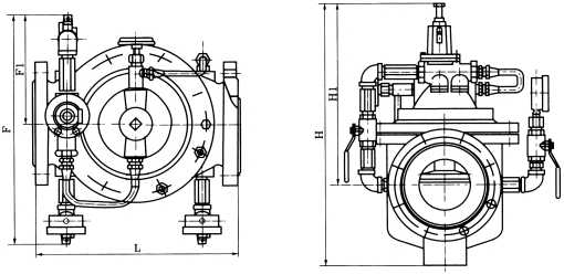
流量控制阀 Flow control valve


| 公称通径DN(mm) | 尺寸 Size(mm) | 公称通径DN(mm) | 尺寸 Size(mm) | ||
| L | H | L | H | ||
| 20 | 150 | 245 | 150 | 356 | 495 |
| 25 | 160 | 272 | 200 | 495 | 570 |
| 32 | 180 | 291 | 250 | 622 | 666 |
| 40 | 200 | 311 | 300 | 698 | 733 |
| 50 | 203 | 332 | 350 | 787 | 807 |
| 65 | 216 | 355 | 400 | 914 | 888 |
| 80 | 241 | 370 | 450 | 978 | 978 |
| 100 | 292 | 413 | 500 | 978 | 1076 |
| 125 | 330 | 461 | 600 | 1230 | 1185 |
| 公称通径DN(mm) | 尺寸 Size(mm) | ||||
| L | F1 | F | H1 | H | |
| 20 | 150 | 136 | 292 | 247 | 342 |
| 25 | 160 | 136 | 292 | 247 | 342 |
| 32 | 180 | 136 | 292 | 247 | 342 |
| 40 | 200 | 155 | 330 | 278 | 395 |
| 50 | 203 | 155 | 330 | 278 | 395 |
| 65 | 216 | 165 | 350 | 298 | 405 |
| 80 | 241 | 175 | 365 | 313 | 430 |
| 100 | 292 | 195 | 410 | 350 | 510 |
| 125 | 330 | 220 | 455 | 365 | 560 |
| 150 | 356 | 23 | 475 | 420 | 585 |
| 200 | 495 | 255 | 530 | 450 | 675 |
| 250 | 622 | 300 | 623 | 470 | 730 |
| 300 | 698 | 340 | 700 | 490 | 760 |
| 350 | 787 | 415 | 840 | 526 | 840 |
| 400 | 914 | 430 | 880 | 570 | 910 |
| 450 | 978 | 430 | 880 | 570 | 910 |
泄压阀 Pressure relief valve

