UCF305 UCF306 UCF307 UCF308 UCF309 UCF310 UCF311 UCF312 UCF313 UCF314 UCF315
Square Pillow Block




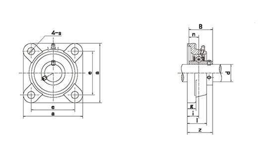
| Model | Size ( mm / in. ) | Bolt mm | Bearing | Bearing housing | W.T(kg) | |||||||||
| d | a | e | i | g | l | s | z | B | n | |||||
| UCF305 | 25 | 110 | 80 | 16 | 13 | 29 | 16 | 39 | 38 | 15 | M14 | UC305 | F305 | 1.1 |
| UCF306 | 30 | 125 | 95 | 18 | 15 | 32 | 16 | 44 | 43 | 17 | M14 | UC306 | F306 | 1.5 |
| UCF307 | 35 | 135 | 100 | 20 | 16 | 36 | 19 | 49 | 48 | 19 | M16 | UC307 | F307 | 2 |
| UCF308 | 40 | 150 | 112 | 23 | 17 | 40 | 19 | 56 | 52 | 19 | M16 | UC308 | F308 | 2.6 |
| UCF309 | 45 | 160 | 125 | 25 | 18 | 44 | 19 | 60 | 57 | 22 | M16 | UC309 | F309 | 3.4 |
| UCF310 | 50 | 175 | 132 | 28 | 19 | 48 | 23 | 67 | 61 | 22 | M20 | UC310 | F310 | 4.5 |
| UCF311 | 55 | 185 | 140 | 30 | 20 | 52 | 23 | 71 | 66 | 25 | M20 | UC311 | F311 | 5.5 |
| UCF312 | 60 | 195 | 150 | 33 | 22 | 56 | 23 | 78 | 71 | 26 | M20 | UC312 | F312 | 6.5 |
| UCF313 | 65 | 208 | 166 | 33 | 22 | 58 | 23 | 78 | 75 | 30 | M20 | UC313 | F313 | 7.9 |
| UCF314 | 70 | 226 | 178 | 36 | 25 | 61 | 25 | 81 | 78 | 33 | M22 | UC314 | F314 | 9.6 |
| UCF315 | 75 | 236 | 184 | 39 | 25 | 66 | 25 | 89 | 82 | 32 | M22 | UC315 | F315 | 11 |